网站首页
关于我们
产品中心
ESD静电二极管
NTC热敏电阻
瞬态抑制二极管
玻璃放电管
自恢复保险丝
压敏电阻
电感
陶瓷放电管
半导体放电管
ESD静电抑制器
整流桥堆
整流二极管
玻璃保险丝
电容器
新闻资讯
产品方案
联系我们
网站首页
关于我们
产品中心
ESD静电二极管
NTC热敏电阻
瞬态抑制二极管
玻璃放电管
自恢复保险丝
陶瓷放电管
半导体放电管
新闻资讯
应用领域
联系我们
产品中心
— PRODUCT —
产品
ESD静电二极管
NTC热敏电阻
瞬态抑制二极管
玻璃放电管
自恢复保险丝
压敏电阻
电感
陶瓷放电管
半导体放电管
ESD静电抑制器
整流桥堆
整流二极管
玻璃保险丝
电容器
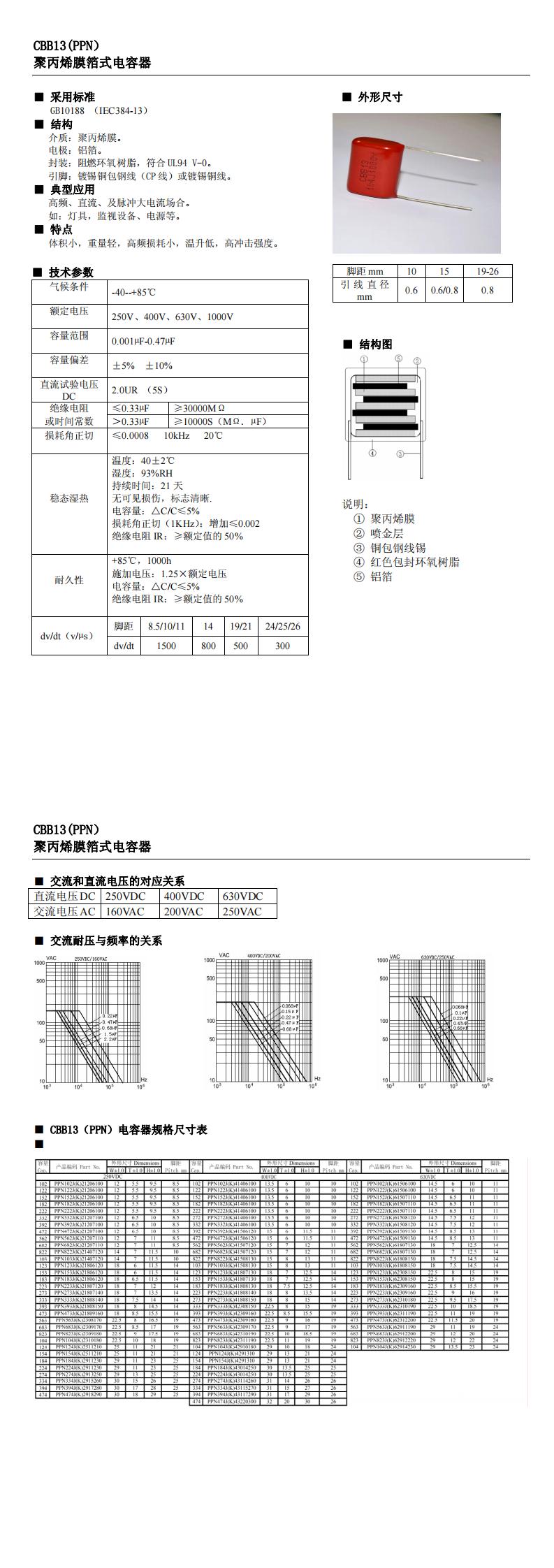
◆CBB13(PPN)聚丙烯箔式电容器
1、产品品牌:YF
2、产品材质:无感型、铝箔结构,聚丙烯膜卷绕
3、产品优点:绝缘电阻高;优异的频率和温度特性,即使在高频下、损耗也极小。
4‘、产品运用: 适用于彩电S校正电路等高频大电流场合,广泛用于高频、高压、直流和脉动电路中
5、定制加工:可根据客户需求加工定制
电话:13534079884/15889645839
1223157337 /2444809124 (需添加QQ为好友)
产品详细说明 :
;
其他产品
—
Other
Products
—
自恢复保险丝
完善频率器件配套方案
自恢复保险丝
完善频率器件配套方
ESD静电二极管
ESD静电保护配套方案
ESD静电二极管
ESD静电保护配套方案
玻璃放电管
完善过压保护配套方案
玻璃放电管
完善过压保护配套方案
压敏电阻
完善过压保护配套方案
压敏电阻
完善过压保护配套方案
NTC热敏电阻
完善过流保护配套方案
NTC热敏电阻
完善过流保护配套方案
陶瓷气体放电管
完善过压保护配套方案
陶瓷气体放电管
完善过压保护配套方案
新闻中心
— NEWS CENTER —
热烈庆祝公司成立15年
招贤纳士
公司组织旅游
MORE>>